交叉滾子轉盤內齒型
類別:轉盤軸承
單排交叉滾子型轉盤軸承由兩個套圈組成,結構緊湊、重量輕、制造精度高,能同時承受軸向力、傾覆力矩和較大的徑向力,根據使用場合的不同可以分別選擇帶有內齒或外齒的齒圈,安裝和使用方便。被廣泛地用于起重運輸,工程機械。
咨詢熱線:0379-64115152
交叉滾子轉盤內齒型
類別:轉盤軸承
單排交叉滾子型轉盤軸承由兩個套圈組成,結構緊湊、重量輕、制造精度高,能同時承受軸向力、傾覆力矩和較大的徑向力,根據使用場合的不同可以分別選擇帶有內齒或外齒的齒圈,安裝和使用方便。被廣泛地用于起重運輸,工程機械。
咨詢熱線:0379-64115152
單排交叉滾子型轉盤軸承由兩個套圈組成,結構緊湊、重量輕、制造精度高,能同時承受軸向力、傾覆力矩和較大的徑向力,根據使用場合的不同可以分別選擇帶有內齒或外齒的齒圈,安裝和使用方便。被廣泛地用于起重運輸,工程機械。
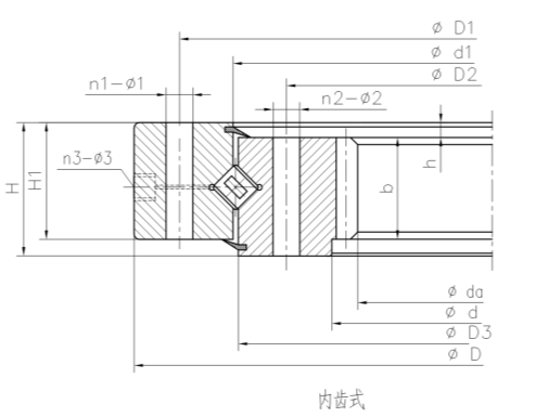
交叉滾子型轉盤軸承內齒式
| |||||
| 軸承型號 | 外 形 尺 寸 | 載荷 | 重量 | ||
| Item No | Dimensions | Basic Cap | Weight | ||
| D | d | H | Coa(10KN) | kg | |
| 2797/695G2 | 920 | 695 | 90 | 161 | 175 |
| 2797/760G2 | 1000 | 760 | 95 | 237 | 206 |
| 2797/870G2 | 1180 | 870 | 115 | 292 | 374 |
| 2797/875G2 | 1170 | 875 | 95 | 276 | 297 |
| 2797/955G | 1200 | 95 | 90 | 254 | 245 |
| 2797/955G2 | 1200 | 95 | 90 | 254 | 245 |
| 2797/1010G2 | 1200 | 1010 | 90 | 254 | 199 |
| 2797/1010GK | 1200 | 1010 | 90 | 254 | 199 |
| 2797/1278G2 | 1595 | 1278 | 120 | 398 | 585 |
| 2792/1400G2K | 1715 | 1400 | 110 | 597 | 587 |
| 2792/2000G2 | 2420 | 2000 | 160 | 1084 | 1607 |
| 2792/2240G | 2670 | 2240 | 160 | 1441 | 1798 |
| 2797/2680G | 3325 | 2680 | 300 | 3587 | 2320 |
| 2797/2680GY | 3325 | 2680 | 300 | 3587 | 6320 |
| 2797/2680GK | 3325 | 2680 | 300 | 3035 | 6641 |
10余年軸承設計加工經驗
公司具有10余年軸承設計加工經驗,擁有專業軸承研發技術團隊和自動化的加工設備。大大提高的產品的精度,完善了產品的服務。
產品分類覆蓋面廣
等截面薄壁軸承有七個開式和五個密封類型,內孔直徑從1英寸-40英寸均可加工,結構分為深溝球、四點接觸球、角接觸球三種。交叉滾子軸承有RB型、SX型、RE型、RU型、XV型、CRBH型、CRBS型、CRBC型、CRBF型。型號齊全,可供選型。
主要業務行業覆蓋面廣
主要為工業機器人、紡織機械、諧波減速器、工程礦山機械、醫療領域等行業提供高質量軸承。
完善的售后服務體系
本廠集科研開發、生產、銷售于一體,以意識超前,科技前衛和質量過硬深受用戶青睞。

掃一掃
掃一掃