四點接觸球轉盤內齒型
類別:轉盤軸承
單排的四點接觸球型轉盤軸承一般由兩個套圈組成,結構緊湊、重量輕、鋼球于圓弧滾道四點接觸,能同時承載軸向力、徑向力和傾覆力矩。
咨詢熱線:0379-64115152
四點接觸球轉盤內齒型
類別:轉盤軸承
單排的四點接觸球型轉盤軸承一般由兩個套圈組成,結構緊湊、重量輕、鋼球于圓弧滾道四點接觸,能同時承載軸向力、徑向力和傾覆力矩。
咨詢熱線:0379-64115152
單排的四點接觸球型轉盤軸承具有較高的靜載荷能力,一般由兩個套圈組成,結構緊湊、重量輕、鋼球于圓弧滾道四點接觸,能同時承載軸向力、徑向力和傾覆力矩。
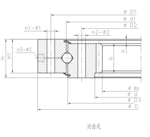
四點接觸球型轉盤軸承內齒式
| |||||
| 軸承型號 | 外 形 尺 寸 | 載荷 | 重量 | ||
| Item No | Dimensions | Basic Cap | Weight | ||
| D | d | H | Coa(10KN) | kg | |
| 2788/850K | 976 | 850 | 80 | 174 | 117 |
| 3-646G2 | 1200 | - | 56 | 210 | 84.1 |
| 2782/1000GK | 1270 | 1000 | 100 | 384 | 322 |
| 2787/1210G2 | 1530 | 1210 | 122 | 713 | 540 |
| 2787/1400GK | 1715 | 1400 | 110 | 365 | 545 |
| 2787/1400GK1 | 1715 | 1400 | 110 | 365 | 545 |
| 2787/1440 | 1780 | 1440 | 100 | 503 | 554 |
| 2787/1440G | 1780 | 1440 | 100 | 578 | 554 |
| 2768/1440G | 1780 | 1440 | 104 | 578 | 555 |
| 2787/1525G2 | 1875 | 1525 | 140 | 873 | 1019 |
| 2788/1712 | 2050 | 1790 | 112 | 604 | 663 |
| 2789/2230 | 2488 | 2230 | 160 | 1247 | 1114 |
| 2789/2240G2 | 2500 | 2240 | 140 | 856 | 1161 |
| 2789/2735 | 2990 | 2735 | 160 | 1559 | 1457 |
10余年軸承設計加工經驗
公司具有10余年軸承設計加工經驗,擁有專業軸承研發技術團隊和自動化的加工設備。大大提高的產品的精度,完善了產品的服務。
產品分類覆蓋面廣
等截面薄壁軸承有七個開式和五個密封類型,內孔直徑從1英寸-40英寸均可加工,結構分為深溝球、四點接觸球、角接觸球三種。交叉滾子軸承有RB型、SX型、RE型、RU型、XV型、CRBH型、CRBS型、CRBC型、CRBF型。型號齊全,可供選型。
主要業務行業覆蓋面廣
主要為工業機器人、紡織機械、諧波減速器、工程礦山機械、醫療領域等行業提供高質量軸承。
完善的售后服務體系
本廠集科研開發、生產、銷售于一體,以意識超前,科技前衛和質量過硬深受用戶青睞。

掃一掃
掃一掃