密封等截面薄壁軸承(四點接觸球)可以承受三種負荷(徑向載荷、軸向載荷、力矩),因此它可以承受更大的剛度。在開式等截面軸承的基礎上,為兩側安裝了密封裝置。在使用過程中潤滑效果會更好,而且也減少了加注潤滑脂的次數,同時也能起到防塵的作用。
| 密封薄壁軸承(四點接觸球類型) | ||||||||
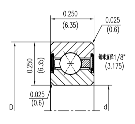
◆NJHA SERIES
| ||||||||
| 型號 | 尺寸(mm) | 載荷(N) | 重量 | |||||
| d | D | H | Cor | Cr | Coa | Ca | Kg | |
| NJHA10XP0 | 25.400 | 34.925 | 6.350 | 1290 | 670 | 3250 | 1650 | 0.016 |
| NJHA15XP0 | 38.100 | 47.625 | 6.350 | 1780 | 800 | 4450 | 2050 | 0.024 |
◆NJA SERIES
| ||||||||
| 型號 | 尺寸(mm) | 載荷(N) | 重量 | |||||
| d | D | H | Cor | Cr | Coa | Ca | Kg | |
| NJA020XP0 | 50.800 | 63.500 | 6.350 | 3020 | 1420 | 7600 | 3510 | 0.045 |
| NJA025XP0 | 63.500 | 76.200 | 6.350 | 3690 | 1600 | 9290 | 4050 | 0.054 |
| NJA030XP0 | 76.200 | 88.900 | 6.350 | 4400 | 1820 | 10980 | 4490 | 0.064 |
| NJA035XP0 | 88.900 | 101.600 | 6.350 | 5070 | 2000 | 12670 | 4930 | 0.077 |
| NJA040XP0 | 101.600 | 114.300 | 6.350 | 5730 | 2130 | 14310 | 5380 | 0.086 |
| NJA042XP0 | 107.950 | 120.650 | 6.350 | 6090 | 2220 | 15160 | 5600 | 0.091 |
| NJA045XP0 | 114.300 | 127.000 | 6.350 | 6400 | 2310 | 16000 | 5820 | 0.095 |
| NJA047XP0 | 120.650 | 133.350 | 6.350 | 6760 | 2400 | 16850 | 6000 | 0.100 |
| NJA050XP0 | 127.000 | 139.700 | 6.350 | 7070 | 2490 | 17690 | 6220 | 0.104 |
| NJA055XP0 | 139.700 | 152.400 | 6.350 | 7780 | 2620 | 19380 | 6580 | 0.113 |
| NJA060XP0 | 152.400 | 165.100 | 6.350 | 8450 | 2800 | 21070 | 6980 | 0.127 |
| NJA065XP0 | 165.100 | 177.800 | 6.350 | 9110 | 2930 | 22760 | 7330 | 0.136 |
![]() | ||||||||
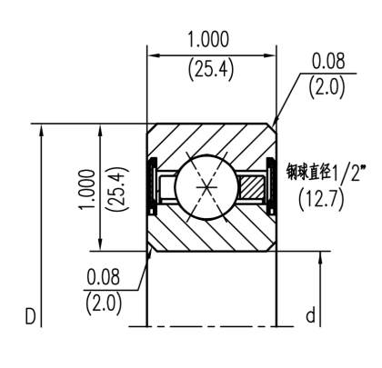
| 型號 | 尺寸(mm) | 載荷(N) | 重量 | |||||
| d | D | H | Cor | Cr | Coa | Ca | Kg | |
| NJB020XP0 | 50.800 | 66.675 | 7.938 | 4130 | 2000 | 10400 | 5020 | 0.068 |
| NJB025XP0 | 63.500 | 79.375 | 7.938 | 5070 | 2310 | 12620 | 5730 | 0.086 |
| NJB030XP0 | 76.200 | 92.075 | 7.938 | 5960 | 2580 | 14890 | 6400 | 0.100 |
| NJB035XP0 | 88.900 | 104.775 | 7.938 | 6850 | 2800 | 17160 | 7070 | 0.122 |
| NJB040XP0 | 101.600 | 117.475 | 7.938 | 7780 | 3070 | 19430 | 7650 | 0.136 |
| NJB042XP0 | 107.950 | 123.825 | 7.938 | 8130 | 3160 | 20310 | 7910 | 0.141 |
| NJB045XP0 | 114.300 | 130.175 | 7.938 | 8670 | 3290 | 21690 | 8220 | 0.154 |
| NJB047XP0 | 120.650 | 136.525 | 7.938 | 9020 | 3380 | 22580 | 8450 | 0.159 |
| NJB050XP0 | 127.000 | 142.875 | 7.938 | 9560 | 3510 | 23910 | 8800 | 0.168 |
| NJB055XP0 | 139.700 | 155.575 | 7.938 | 10490 | 3730 | 26180 | 9340 | 0.181 |
| NJB060XP0 | 152.400 | 168.275 | 7.938 | 11380 | 3960 | 28450 | 9870 | 0.200 |
| NJB065XP0 | 165.100 | 180.975 | 7.938 | 12270 | 4130 | 30720 | 10400 | 0.213 |
◆NJG SERIES
| ||||||||
| 型號 | 尺寸(mm) | 載荷(N) | 重量 | |||||
| d | D | H | Cor | Cr | Coa | Ca | Kg | |
| NJG120XP0 | 304.800 | 355.600 | 25.400 | 94860 | 37830 | 237140 | 94590 | 4.218 |
| NJG140XP0 | 355.600 | 406.400 | 25.400 | 109440 | 41610 | 273630 | 152950 | 4.899 |
| NJG160XP0 | 406.400 | 457.200 | 25.400 | 124060 | 45250 | 310130 | 113130 | 5.579 |
| NJG180XP0 | 457.200 | 508.000 | 25.400 | 138640 | 48720 | 346620 | 121840 | 6.214 |
| NJG200XP0 | 508.000 | 558.800 | 25.400 | 153220 | 52100 | 383070 | 130240 | 7.168 |
◆NJU SERIES
| ||||||||
| 型號 | 尺寸(mm) | 載荷(N) | 重量 | |||||
| d | D | H | Cor | Cr | Coa | Ca | Kg | |
| NJU040XP0 | 101.600 | 120.650 | 12.700 | 9340 | 3910 | 23380 | 9820 | 0.249 |
| NJU042XP0 | 107.950 | 127.000 | 12.700 | 9870 | 4090 | 24710 | 10180 | 0.263 |
| NJU045XP0 | 114.300 | 133.350 | 12.700 | 10400 | 4220 | 26050 | 10580 | 0.277 |
| NJU047XP0 | 120.650 | 139.700 | 12.700 | 10940 | 4360 | 27380 | 10940 | 0.295 |
| NJU050XP0 | 127.000 | 146.050 | 12.700 | 11510 | 4490 | 28720 | 11290 | 0.308 |
| NJU055XP0 | 139.700 | 158.750 | 12.700 | 12580 | 4800 | 31380 | 11960 | 0.336 |
| NJU060XP0 | 152.400 | 171.450 | 12.700 | 13650 | 5070 | 34050 | 12620 | 0.367 |
| NJU065XP0 | 165.100 | 184.150 | 12.700 | 14710 | 5330 | 36760 | 13290 | 0.395 |
| NJU070XP0 | 177.800 | 196.850 | 12.700 | 15780 | 5560 | 39430 | 13910 | 0.422 |
| NJU075XP0 | 190.500 | 209.550 | 12.700 | 16850 | 5820 | 42090 | 14540 | 0.449 |
| NJU080XP0 | 203.200 | 222.250 | 12.700 | 17910 | 6050 | 44760 | 15160 | 0.481 |
| NJU090XP0 | 228.600 | 247.650 | 12.700 | 20050 | 6530 | 50100 | 16310 | 0.535 |
| NJU100XP0 | 254.000 | 273.050 | 12.700 | 22180 | 6980 | 55430 | 17470 | 0.594 |
| NJU110XP0 | 279.400 | 298.450 | 12.700 | 24310 | 7420 | 60810 | 18580 | 0.649 |
| NJU120XP0 | 304.800 | 323.850 | 12.700 | 26450 | 7870 | 66140 | 19650 | 0.708 |
10余年軸承設計加工經驗
公司具有10余年軸承設計加工經驗,擁有專業軸承研發技術團隊和自動化的加工設備。大大提高的產品的精度,完善了產品的服務。
產品分類覆蓋面廣
等截面薄壁軸承有七個開式和五個密封類型,內孔直徑從1英寸-40英寸均可加工,結構分為深溝球、四點接觸球、角接觸球三種。交叉滾子軸承有RB型、SX型、RE型、RU型、XV型、CRBH型、CRBS型、CRBC型、CRBF型。型號齊全,可供選型。
主要業務行業覆蓋面廣
主要為工業機器人、紡織機械、諧波減速器、工程礦山機械、醫療領域等行業提供高質量軸承。
完善的售后服務體系
本廠集科研開發、生產、銷售于一體,以意識超前,科技前衛和質量過硬深受用戶青睞。

掃一掃
掃一掃