公制球軸承(X型)
類別:公制球軸承
在英制等截面薄壁軸承的基礎上,為了滿足公制場合的需要,我們也可以提供公制尺寸軸承。 厚度尺寸有 8mm 13mm 20mm 三種規格。孔徑從 20mm 到 360mm。 結構有徑向接觸(C型)四點接觸(X型)和 角接觸(A型)非標尺寸也可以定做。 公制球軸承四點接觸球結構可承載軸向與徑向的雙重力。因此也是很多客人選擇較多的一種結構。
咨詢熱線:0379-64115152
公制球軸承(X型)
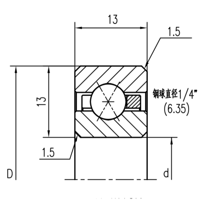
類別:公制球軸承
在英制等截面薄壁軸承的基礎上,為了滿足公制場合的需要,我們也可以提供公制尺寸軸承。 厚度尺寸有 8mm 13mm 20mm 三種規格。孔徑從 20mm 到 360mm。 結構有徑向接觸(C型)四點接觸(X型)和 角接觸(A型)非標尺寸也可以定做。 公制球軸承四點接觸球結構可承載軸向與徑向的雙重力。因此也是很多客人選擇較多的一種結構。
咨詢熱線:0379-64115152
在英制等截面薄壁軸承的基礎上,為了滿足公制場合的需要,我們也可以提供公制尺寸軸承。
厚度尺寸有 8mm 13mm 20mm 三種規格。孔徑從 20mm 到 360mm。
結構有徑向接觸(C型)四點接觸(X型)和 角接觸(A型)非標尺寸也可以定做。
公制球軸承四點接觸球結構可承載軸向與徑向的雙重力。因此也是很多客人選擇較多的一種結構。
公制球軸承(四點接觸球類型)
| ||||||||
| Item No | Dimension(mm) | Basic Cap(N) | Weight | |||||
| d | D | H | Cor | Cr | Coa | Ca | Kg | |
| NK02508X | 25 | 41 | 8 | 334 | 331 | 758 | 469 | 0.06 |
| NK05008X | 50 | 66 | 8 | 555 | 460 | 1389 | 666 | 0.08 |
| NK06008X | 60 | 76 | 8 | 656 | 506 | 1641 | 745 | 0.09 |
| NK07008X | 70 | 86 | 8 | 757 | 549 | 1894 | 819 | 0.10 |
| NK08008X | 80 | 96 | 8 | 859 | 591 | 2146 | 890 | 0.11 |
| NK09008X | 90 | 106 | 8 | 959 | 631 | 2399 | 959 | 0.13 |
| NK10008X | 100 | 116 | 8 | 1060 | 670 | 2651 | 1025 | 0.14 |
| NK11008X | 110 | 126 | 8 | 1162 | 707 | 2903 | 1090 | 0.15 |
| NK12008X | 120 | 136 | 8 | 1262 | 743 | 3156 | 1152 | 0.16 |
| NK13008X | 130 | 146 | 8 | 1363 | 778 | 3409 | 1212 | 0.18 |
| NK14008X | 140 | 156 | 8 | 1465 | 812 | 3661 | 1271 | 0.19 |
| NK15008X | 150 | 166 | 8 | 1565 | 846 | 3914 | 1329 | 0.20 |
| NK16008X | 160 | 176 | 8 | 1666 | 878 | 4166 | 1386 | 0.20 |
| NK17008X | 170 | 186 | 8 | 1767 | 910 | 4418 | 1441 | 0.20 |
| NK18008X | 180 | 196 | 8 | 1868 | 941 | 4671 | 1495 | 0.21 |
| NK19008X | 190 | 206 | 8 | 1944 | 963 | 4860 | 1536 | 0.21 |
| NK20008X | 200 | 216 | 8 | 2045 | 992 | 5113 | 1588 | 0.22 |
| NK25008X | 250 | 266 | 8 | 2550 | 1133 | 6375 | 1840 | 0.28 |
| NK30008X | 300 | 316 | 8 | 3055 | 1261 | 7638 | 2076 | 0.35 |
| NK32008X | 320 | 336 | 8 | 3257 | 1310 | 8143 | 2166 | 0.39 |
| NK34008X | 340 | 356 | 8 | 3459 | 1350 | 8648 | 2255 | 0.42 |
| NK36008X | 360 | 376 | 8 | 3636 | 1396 | 9089 | 2330 | 0.46 |
![]() | ||||||||
| Item No | Dimension(mm) | Basic Cap(N) | Weight | |||||
| d | D | H | Cor | Cr | Coa | Ca | Kg | |
| NK02513X | 25 | 51 | 13 | 696 | 689 | 1293 | 869 | 0.13 |
| NK05013X | 50 | 76 | 13 | 919 | 910 | 2263 | 1226 | 0.20 |
| NK06013X | 60 | 86 | 13 | 1099 | 1014 | 2747 | 1236 | 0.23 |
| NK07013X | 70 | 96 | 13 | 1228 | 1074 | 3070 | 1547 | 0.26 |
| NK08013X | 80 | 106 | 13 | 1358 | 1133 | 3393 | 1653 | 0.28 |
| NK09013X | 90 | 116 | 13 | 1551 | 1224 | 3878 | 1808 | 0.31 |
| NK10013X | 100 | 126 | 13 | 1681 | 1279 | 4201 | 1906 | 0.34 |
| NK11013X | 110 | 136 | 13 | 1875 | 1364 | 4686 | 2050 | 0.37 |
| NK12013X | 120 | 146 | 13 | 2006 | 1415 | 5010 | 2144 | 0.40 |
| NK13013X | 130 | 156 | 13 | 2133 | 1466 | 5333 | 2235 | 0.43 |
| NK14013X | 140 | 166 | 13 | 2327 | 1544 | 5817 | 2368 | 0.46 |
| NK15013X | 150 | 176 | 13 | 2456 | 1592 | 6141 | 2455 | 0.48 |
| NK16013X | 160 | 186 | 13 | 2586 | 1639 | 6464 | 2541 | 0.51 |
| NK17013X | 170 | 196 | 13 | 2780 | 1711 | 6949 | 2666 | 0.54 |
| NK18013X | 180 | 206 | 13 | 2909 | 1756 | 7272 | 2748 | 0.57 |
| NK19013X | 190 | 216 | 13 | 3038 | 1800 | 7595 | 2829 | 0.60 |
| NK20013X | 200 | 226 | 13 | 3232 | 1868 | 8080 | 2948 | 0.63 |
| NK25013X | 250 | 276 | 13 | 4008 | 2119 | 10019 | 3403 | 0.77 |
| NK30013X | 300 | 326 | 13 | 4719 | 2327 | 11796 | 3794 | 0.91 |
| NK32013X | 320 | 346 | 13 | 5042 | 2419 | 12605 | 3966 | 0.97 |
| NK34013X | 340 | 366 | 13 | 5365 | 2508 | 13412 | 4133 | 1.02 |
| NK36013X | 360 | 386 | 13 | 5688 | 2594 | 14220 | 4298 | 1.08 |
![]() | ||||||||
| Item No | Dimension(mm) | Basic Cap(N) | Weight | |||||
| d | D | H | Cor | Cr | Coa | Ca | Kg | |
| NK02520X | 25 | 65 | 20 | 1518 | 1503 | 2545 | 1789 | 0.34 |
| NK05020X | 50 | 90 | 20 | 1845 | 1827 | 3999 | 2418 | 0.52 |
| NK06020X | 60 | 100 | 20 | 1906 | 1887 | 4363 | 2562 | 0.59 |
| NK07020X | 70 | 110 | 20 | 2071 | 2050 | 5090 | 2839 | 0.66 |
| NK08020X | 80 | 120 | 20 | 2181 | 2111 | 5454 | 2973 | 0.73 |
| NK09020X | 90 | 130 | 20 | 2473 | 2263 | 6181 | 3231 | 0.80 |
| NK10020X | 100 | 140 | 20 | 2618 | 2323 | 6545 | 3357 | 0.87 |
| NK11020X | 110 | 150 | 20 | 2909 | 2466 | 7272 | 3601 | 0.94 |
| NK12020X | 120 | 160 | 20 | 3200 | 2603 | 7999 | 3837 | 1.01 |
| NK13020X | 130 | 170 | 20 | 3345 | 2600 | 8363 | 3953 | 1.07 |
| NK14020X | 140 | 180 | 20 | 3636 | 2791 | 9090 | 4179 | 1.15 |
| NK15020X | 150 | 190 | 20 | 3781 | 2845 | 9453 | 4290 | 1.22 |
| NK16020X | 160 | 200 | 20 | 4072 | 2970 | 10180 | 4507 | 1.30 |
| NK17020X | 170 | 210 | 20 | 4363 | 3023 | 10907 | 4719 | 1.37 |
| NK18020X | 180 | 220 | 20 | 4508 | 3143 | 11271 | 4823 | 1.44 |
| NK19020X | 190 | 230 | 20 | 4800 | 3260 | 11999 | 5029 | 1.51 |
| NK20020X | 200 | 240 | 20 | 4945 | 3309 | 12362 | 5130 | 1.57 |
| NK25020X | 250 | 290 | 20 | 6108 | 3731 | 15271 | 5906 | 2.10 |
| NK30020X | 300 | 340 | 20 | 7272 | 4119 | 18179 | 6633 | 2.30 |
| NK32020X | 320 | 360 | 20 | 7708 | 4255 | 19270 | 6897 | 2.44 |
| NK34020X | 340 | 380 | 20 | 8144 | 4388 | 20361 | 7154 | 2.58 |
| NK36020X | 360 | 400 | 20 | 8581 | 4588 | 21452 | 7408 | 2.73 |
10余年軸承設計加工經驗
公司具有10余年軸承設計加工經驗,擁有專業軸承研發技術團隊和自動化的加工設備。大大提高的產品的精度,完善了產品的服務。
產品分類覆蓋面廣
等截面薄壁軸承有七個開式和五個密封類型,內孔直徑從1英寸-40英寸均可加工,結構分為深溝球、四點接觸球、角接觸球三種。交叉滾子軸承有RB型、SX型、RE型、RU型、XV型、CRBH型、CRBS型、CRBC型、CRBF型。型號齊全,可供選型。
主要業務行業覆蓋面廣
主要為工業機器人、紡織機械、諧波減速器、工程礦山機械、醫療領域等行業提供高質量軸承。
完善的售后服務體系
本廠集科研開發、生產、銷售于一體,以意識超前,科技前衛和質量過硬深受用戶青睞。

掃一掃
掃一掃